锂电池保护板的应用

随着科技的发展,电子产品也越来越多,充电也成了一个问题如怎么充电能不损坏电池,怎么充电能使用更久,怎么充电能节约电能。下面给大家介绍一种,经过测试和实践证明,该保护板的保护功能完善,工作稳定,性价比高。
现在我们就来谈谈而在动力锂电池成组使用时,各节锂电池均要求充电过电压、放电欠电压、过流、短路的保护,充电过程中要实现整组电池均衡充电的问题,设计了采用单节锂电池保护芯片对任意串联数的成组锂电池进行保护的含均衡充电功能的电池组保护板。
当锂电池组串联充电时,每个电池应该均等充电,否则会影响整个电池的性能和寿命。常用的均衡充电技术有恒定分流电阻均衡充电、通断分流电阻均衡充电、平均电池电压均衡充电、开关电容均衡充电、降压型变换器均衡充电、电感均衡充电等。现有的单锂电池保护芯片不具备均衡充电控制功能,多节锂电池保护芯片均衡充电控制功能需要外接CPU,通过与保护芯片(如I2C总线)的串行通信来实现。增加了保护电路设计的复杂性和难度,降低了系统的效率和可靠性。并且增加了功耗。
锂电池保护板均衡充电基本工作原理
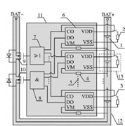
在采用单片锂电池保护芯片设计的锂电池组保护板平衡充电原理图中:1为单锂离子电池;2为充电过电压分流放电支路电阻;3为分流放电支路控制开关装置;4为过流检测保护电阻;5省略锂电池保护芯片和电路连接部分;6是单个锂电池保护芯片(一般包括充电控制引脚CO、放电控制引脚DO、放电过电流和短路检测引脚VM、电池正端VDD、电池负端VSS);7在充电过电压保护信号被光耦隔离后形成在并联关系驱动主电路中充电用MOS管栅极;8为放电欠压、过流和短路保护信号被光耦隔离形成串联关系驱动为主电路中放电控制用MOS管栅极;,9为充电控制开关;10为放电控制开关;11为控制电路;12为主电路;13为分流放电支路。单个锂电池的保护芯片的数量根据锂电池组的电池数量来确定,串联使用以保护相应的单个锂电池免于充电、放电、过电流和短路。在充电保护的同时,利用保护芯片控制并联放电支路的开关实现均衡充电。该方案不同于传统的在充电器端进行均衡充电的方法,降低了锂电池充电器的设计应用成本。
当锂电池组充电时,外接电源正负极分别接电池组正负极BAT+和BAT-两端,充电电流流经电池组正极BAT+、电池组中单节锂电池1~N、放电控制开关器件、充电控制开关器件、电池组负极BAT-,电流流向如图
系统中控制电路部分单节锂电池保护芯片的充电过电压保护控制信号经光耦隔离后并联输出,为主电路中充电开关器件的导通提供栅极电压;如某一节或几节锂电池在充电过程中先进入过电压保护状态,则由过电压保护信号控制并联在单节锂电池正负极两端的分流放电支路放电,同时将串接在充电回路中的对应单体锂电池断离出充电回路

